Beschrijving
RVS 304 Waterdichte Schakelaar (Aan-Aan) kleur led groen
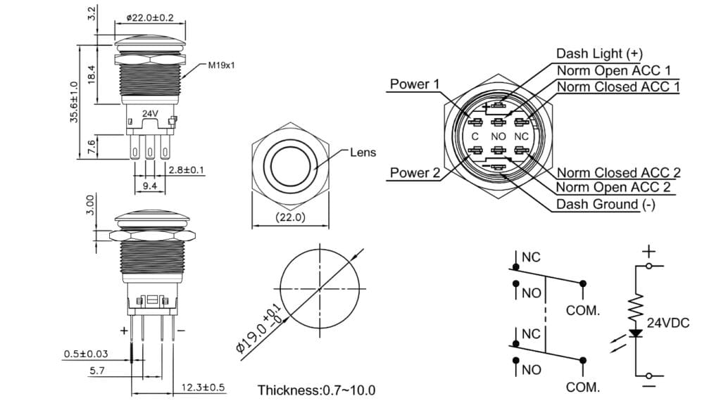
Deze RVS 304 LED waterdichte schakelaars bieden duurzame prestaties en zijn beschikbaar in drie kleuren: groen, rood en blauw. De schakelaars zijn ideaal voor toepassingen waar waterbestendigheid vereist is, dankzij de IP67-certificering en de afdichtingsring die volledige bescherming biedt tegen stof en water. Ze functioneren als een Aan-Aan druksensor, wat betekent dat de schakelaar blijft in de positie die is geselecteerd tot deze opnieuw wordt bediend.
Technische specificaties:
- Voltage: 12 – 28V DC
- Amperage: 5A
- Type: 8P (2P voor LED, 6P voor schakelaar)
- Behuizing en Moer: RVS 304 (roestvrij staal van hoge kwaliteit)
- Waterdichtheid: IP67 (volledig stof- en waterdicht)
Deze LED schakelaars zijn een ideale keuze voor zowel industriĆ«le als doe-het-zelf toepassingen waar betrouwbaarheid en weerbestendigheid essentieel zijn. Perfect voor gebruik in auto’s, boten, en outdoor installaties.




